产品介绍
该产品可对膏状、颗粒状、粉状、浆状物料间接加热或冷却,可完成干燥、冷却、加热、灭菌、反应、低温燃烧等单元操作。设备中特殊的楔型搅拌传热浆叶具有较高的传热效率和传热面自清洁功能。
工作原理
空心轴上密集排列着楔型中空浆叶,热介质经空心轴流经浆叶。单位有效容积内传热面积很大,热介质温度从-40℃到320℃,可以是水蒸汽,也可以是液体型:如热水、导热油等。间接传导加热,没有携带空气带走热量,热量均用来加热物料。热量损失仅为通过器体保温层向环境的散热。楔型浆叶传热面具有自清洁功能。物料颗粒与楔型面的相对运动产生洗刷作用,能够洗刷掉楔型面上附着物料,使运转中一直保持着清洁的传热面。浆叶干燥机的壳体为Ω型,壳体内一般安排二到四根空心搅拌轴。壳体有密封端盖与上盖,防止物料粉尘外泄而充分发挥作用。
传热介质通过旋转接头,流经壳体夹套及空心搅拌轴,空心搅拌轴依据热介质的类型而具有不同的内部结构,以保证传热效果。
性能特点
◎浆叶干燥机能耗低: 由于间接加热,没有大量携带空气带走热量,干燥器外壁又设置保温层,对浆状物料,蒸发1kg水仅需1.2kg水蒸汽。
◎浆叶干燥机系统造价低: 单位有效容积内拥有巨大的传热面,就缩短了处理时间,设备尺寸变小。就极大地减少了建筑面积及建筑空间。
◎处理物料范围广: 使用不同热介质,既可处理热敏性物料,又可处理需高温处理的物料。常用介质有:水蒸汽、导热油、热水、冷却水等。
既可连续操作也可间歇操作,可在很多领域应用。
◎环境污染小: 不使用携带空气,粉尘物料夹带很少。物料溶剂蒸发量很小,便于处理。对有污染的物料或需回收溶剂的工况,可采用
闭路循环。
◎操作费用低:的结构。磨损量小,维修费用很低。
◎操作稳定:由于楔型浆叶特殊的压缩--膨胀搅拌作用,使物料颗粒充分与传热面接触,在轴向区间内,物料的温度、湿度、混合度梯度很小,从而保证了工艺的稳定性。
适应物料
浆叶干燥机已成功地用于食品、化工、石化、染料、工业污泥等领域。设备传热、冷却、搅拌的特性使之可以完成以下单元操作:燃烧(低温)、冷却、干燥(溶剂回收)加热(融化)、反应和灭菌。搅拌浆叶同时又是传热面,使单位有效容积内传热面积增大,缩短了处理时间。楔型浆叶传热面又具有自清洁功能。压缩--膨胀搅拌功能使物料混和均匀。物料沿轴向成"活塞流"运动,在轴向区间内,物料的温度、湿度、混合度梯度很小。用导热油做热介质浆叶干燥机可完成低温燃烧工作。如:二水硫酸钙(Ca2SO4·2H2O) 燃烧转化为半水硫酸钙(Ca2SO4·1/22H2O)。碳酸氢钠(NaHCO3)经煅烧转化为纯碱(Na2HCO3)等。通入冷却介质,如水、冷却盐水等即可用来冷却。如:使用于纯碱行业的浆叶式凉碱机,取代老式的空气冷却凉碱机,节省了能源及尾气处理设备,降低了操作费用。干燥设备主要的功能,不使用热空气,使溶剂回收、能源消耗、环境控制处于易处理的理想状态。对需回收溶剂、易燃易氧化热敏性物料尤为适应。已广泛用于精细化工、石化、染料行业。轴向区间内,温度、湿度、混合度的均匀性,使得设备可用来加热或融化,或进行一些固体物料反应。在复合肥及变性淀粉行业均已成功使用。浆叶干燥机可用来对食物和面粉进行灭菌处理。单位有效容积内大的加热面积,很快就将物料加热到灭菌温度,避免了长时间加热而改变物料品质。
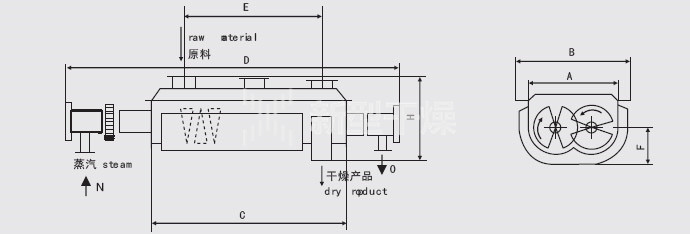
技术规格
|
项目 型号 |
KJG3 | KJG9 | KJG13 | KJG18 | KJG29 | KJG41 | KJG52 | KJG68 | KJG81 | KJG95 | KJG110 |
| 传热面积(m2) | 3 | 9 | 13 | 18 | 29 | 41 | 52 | 68 | 81 | 95 | 110 |
| 有效容积(m3) | 0.06 | 0.32 | 0.59 | 1.09 | 1.85 | 2.8 | 3.96 | 5.21 | 6.43 | 8.07 | 9.46 |
| 转速范围(rmp) | 15-30 | 10-25 | 10-25 | 10-20 | 10-20 | 10-20 | 10-20 | 10-20 | 5-15 | 5-15 | 5-10 |
| 功率(kw) | 2.2 | 4 | 5.5 | 7.5 | 11 | 15 | 30 | 45 | 55 | 75 | 95 |
| 器体宽A(mm) | 306 | 584 | 762 | 940 | 1118 | 1296 | 1476 | 1652 | 1828 | 2032 | 2210 |
| 总宽B(mm) | 736 | 841 | 1066 | 1320 | 1474 | 1676 | 1854 | 2134 | 1186 | 2438 | 2668 |
| 器体宽C(mm) | 1956 | 2820 | 3048 | 3328 | 4114 | 4724 | 5258 | 5842 | 6020 | 6124 | 6122 |
| 总长D(mm) | 2972 | 4876 | 5486 | 5918 | 6808 | 7570 | 8306 | 9296 | 9678 | 9704 | 9880 |
| 进出料距E(mm) | 1752 | 2540 | 2768 | 3048 | 3810 | 4420 | 4954 | 5384 | 5562 | 5664 | 5664 |
| 中心高F(mm) | 380 | 380 | 534 | 610 | 762 | 915 | 1066 | 1220 | 1220 | 1220 | 1220 |
| 总高H(mm) | 762 | 838 | 1092 | 1270 | 1524 | 1778 | 2032 | 2362 | 2464 | 2566 | 2668 |
| 进汽口N(寸) | 3/4 | 3/4 | 1 | 1 | 1 | 1 | 11/2 | 11/2 | 11/2 | 11/2 | 2 |
| 出水口O(寸) | 3/4 | 3/4 | 1 | 1 | 1 | 1 | 11/2 | 11/2 | 11/2 | 11/2 | 2 |






